menu zapri
0,00 € 0

Filter products

G100


The new G100 frequency inverter series is an optimal solution for a wide range of industrial applications, offering high performance, quality, and reliability. The G100 series covers power ratings from 0.4 to 22 kW.

  • G100T version features STO (Safety Torque Off) for added safety.
  • G100C version is dimensionally compatible with the IG5A series up to 4.0 kW.

 

 

G100 Frequency Inverter – Features

  • Built-in C3 EMC filter
  • Built-in potentiometer
  • Side-by-side mounting capability
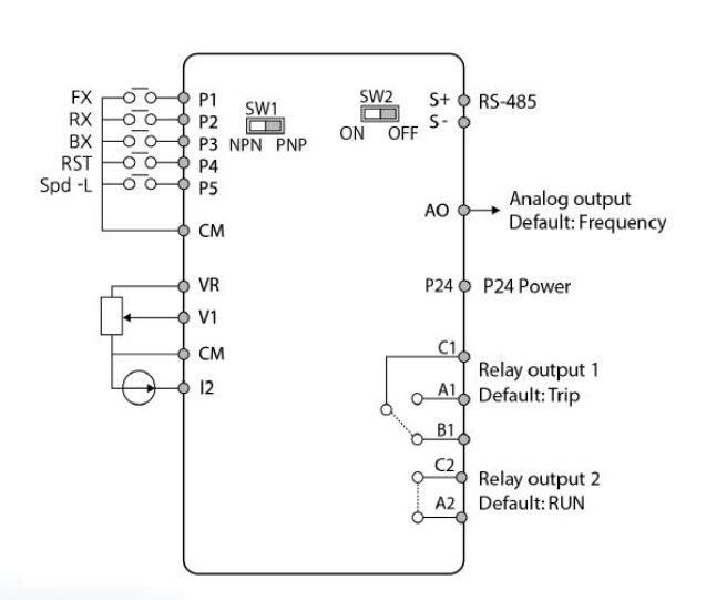
  • 5 digital inputs
  • 2 analog inputs
  • 1 analog output
  • 2 programmable relays

Connection

  • Three-phase 3×230V (power: 0.4 – 22 kW)
  • Three-phase 3×400V (power: 0.4 – 22 kW)

Operating Modes

  • V/f
  • Slip Compensation
  • Open-loop vector

Load Ratings

  • Dual Rating: Allows selection of a lower-rated inverter for variable torque loads (normal duty: fans, pumps, etc.)
  • Heavy Duty Operation: 150 % for 60 s
  • Normal Duty Operation: 120 % for 60 s

Communication Interfaces

  • RS-485, Modbus, Profibus-DP, CANopen, 2-Port EtherNet/IP

Sizes / Frames

  • Frame 1: 0.4 – 0.8 kW, 85 × 153 × 132.5 mm (W × H × D)
  • Frame 2: 1.5 – 2.2 kW, 100 × 167 × 150.5 mm (W × H × D)
  • Frame 3: 4.0 kW, 135 × 183 × 150.5 mm (W × H × D)
  • Frame 4: 5.5 – 7.5 kW, 180 × 220 × 144 mm (W × H × D)

Enclosure / Protection

The IP20 enclosure requires installation inside an electrical cabinet, as it does not provide protection against dust or moisture.

Labels

Input/Output terminals (I/O)

Models

 

 

Catalogs

Instructions and Certificates

Read more...
Filter
Shown 1 - 15 from 15 products
In Stock (3)
In Stock (10+)
In Stock (7)
In Stock (9)
In Stock (7)
Out of stock
Out of stock
Out of stock
Out of stock
Out of stock
Out of stock
In Stock (2)
Out of stock
In Stock (2)
Out of stock