• Domov
  • / Novosti
  • / Novo - frekvenčni pretvorniki serije G100

Novo - frekvenčni pretvorniki serije G100


LS frekvenčni pretvorniki serije G100

Novo - frekvenčni pretvorniki LS Electric serije G100

Nov frekvenčni pretvornik serije G100 je optimalna rešitev za široko paleto industrijskih aplikacij z visoko zmogljivostjo, kakovostjo in zanesljivostjo.

Serija G100 frekvenčnih pretvornikov obsega moči od 0.4 – 7.5 kW. (do konca leta 2020 do 22 kW)

Lastnosti:

– Vgrajen C3 EMC filter
– Vgrajen potenciometer
– Možnost montaže drug ob drugem
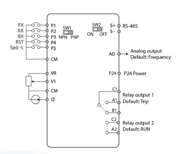
– 5 digitalnih vhodov
– 2 analogna vhoda
– 1 analogni izhod

– 2 programabilna releja

Priklop:

Trifazni 3x230V (moč: 0,4 – 7.5 kW)
Trifazni 3x400V (moč: 0,4 – 7.5 kW)

Način delovanja:

V/f
Kompenzacija slipa
Odprtozančni vektor

Dovoljena preobremenitev:

Dual Rating: Frekvenčni pretvornik nudi izbor eno stopnjo šibkejšega pretvornika za bremena s spremenljivim navorom (normal duty bremena: ventilatorji, črpalke,…).

Heavy duty obratovanje: 150% za 60s
Normal duty obratovanje: 120% za 60s

Komunikacija:

RS-485

Opcijske komunikacije:

Modbus
Profibus-DP
CANopen
2 Port EtherNet/IP

Ohišje/zaščita:

IP20 ohišje zahteva vgradnjo v električno omarico, saj ne nudi zaščite pred prahom in vlago.

Oznake:


Vhodno/izhodne sponke (I/O):

Velikosti:

– Velikost/Frame 1 (0.4 – 0.8 kW): 86.4 x 164.2 x 139.7 mm (ŠxVxG)
– Velikost/Frame 2 (1.5 – 2.2 kW): 101.2 x 177.2 x 158.7 mm (ŠxVxG)
– Velikost/Frame 3 (4.0 kW): 135 x 193 x 158.8 mm (ŠxVxG)
– Velikost/Frame 4 (5.5 – 7.5 kW): 180.3 x 240.3 x 152.2 mm (ŠxVxG)

Modeli:

Video: